Products
Solid State Relay
Three Phase Solid State Relay
SST
- Screw mounting
- Maximum load capacity: 10A, 20A, 30A (AC)
- Supply voltage: 180 to 240V ac
- Control method: Zero-cross control
- Element failure detection function is optionally available.
The AC30A model is no longer in production.
- Temperature
- Main features
- Main specification
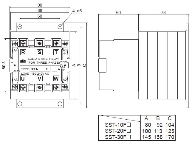
- External dimensions
- Models
Main features
Element failure detection function

When a failure is detected in the element, the status is indicated by the indicator lamp and the alarm output is generated.
Main specification
- Maximum load current: 10A, 20A, 30A ac
- Input signal: DC voltage pulse input: LOW (OFF) 0V, HIGH(ON) 8 to 24V
- Response speed: 1/2 cycle of load current or less
- Load voltage: 100 to 240V ac (50/60Hz)
- Allowable ambient temperature: See ambient temperature characteristics.
<Option>
Element failure detection function (Open collector output, 12V dc, 50mA)

External dimensions

Models

The AC30A model is no longer in production.
